注意:访问本站需要Cookie和JavaScript支持!请设置您的浏览器! 打开购物车 查看留言付款方式联系我们
初中电子 单片机教材一 单片机教材二
搜索上次看见的商品或文章:
商品名、介绍 文章名、内容
首页 电子入门 学单片机 免费资源 下载中心 商品列表 象棋在线 在线绘图 加盟五一 加入收藏 设为首页
本站推荐:
单运放构成的单稳延时电路
文章长度[955] 加入时间[2006/7/1] 更新时间[2026/2/10 2:31:59] 级别[3] [评论] [收藏]
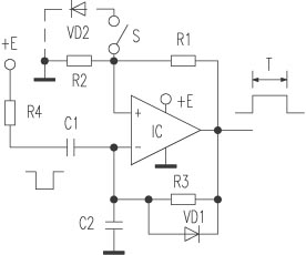
单稳延时电路由接成电压比较器的单运放构成,电路如附图所示,有电路简单、调节延时方便等特点。
在新窗口打开查看!
  常态时,IC输出保持低电平,这个状态是稳定的。当负脉冲经C1输入至反相端时,反相端电位低于同相端电位,输出端由低电平翻转为高电平,这个状态是不稳定的。此高电平经R1、R2分压后加至IC的同相端,使同相端电位高于反相端,从而保持高电平输出。同时,该高电平经R3和C2充电,当C2上电压被充至使反相端电位高于同相端电位时,其输出端又翻转为低电平。此时,同相端电位约为零,而C2上的电压经VD1迅速向输出端放电,使电路加速恢复到初始状态。电路稳定后反相端电位仍高于同相端电位,使输出低电平得以保持。
  该电路的延时时间T不仅取决于R3、C2,而且还取决于R1、R2的分压比。所以,调节延时时间十分方便,既可调整C2、R3进行延时粗调,又可调整R2进行细调(分压比若取1/2~2/3,延时精度较高)。但是,该电路在上电时的状态是随机的,要使该电路上电后有唯一的输出状态,有两种方法:一是在电路中增加R4。这样,在上电时,由于C1上电压不能突变,电源电压经R4、C1加至反相端,即可置输出于低电平;二是在同相端与地之间接一只二极管VD2和一只开关S(如虚线所示)。上电时如输出为高电平,虽然这一状态是不稳定的,但如上所述,要经过时间T输出才为低电平,而实用上往往需要电路上电时即刻复位。为此,可在上电时先将S接通,若输出为高电平,则C2充电到0.7V即可使电路复位,大大缩短了电路上电复位的时间。复位后将S断开,电路即可正常工作。
  实际应用中,若取R1为100kΩ,R2为200kΩ,则分压比为2/3,触发延时时间约为0.7R3×C2。C1可取0.1μF,R3可取10kΩ以上。IC可用单电源运放或比较器,如LM324或LM339。
                           成都 陈秋生
1、 本站不保证以上观点正确,就算是本站原创作品,本站也不保证内容正确。
2、如果您拥有本文版权,并且不想在本站转载,请书面通知本站立即删除并且向您公开道歉! 以上可能是本站收集或者转载的文章,本站可能没有文章中的元件或产品,如果您需要类似的商品请 点这里查看商品列表!
本站协议 | 版权信息 |  关于我们 |  本站地图 |  营业执照 |  发票说明 |  付款方式 |  联系方式
深圳市宝安区西乡五壹电子商行——粤ICP备16073394号-1;地址:深圳西乡河西四坊183号;邮编:518102
E-mail:51dz$163.com($改为@);Tel:(0755)27947428
工作时间:9:30-12:00和13:30-17:30和18:30-20:30,无人接听时可以再打手机13537585389